| Tên sản phẩm: | Đồng hồ đo độ dày loại hiển thị cơ 0-10mm/0.01mm, 120 throat |
| Mã sản phẩm ( Model / Code / Part No. ): | SM-114 |
| Thương hiệu: | Teclock |
| Đơn vị tính: | Cái |
| Quy cách đóng gói: | Đang cập nhật |
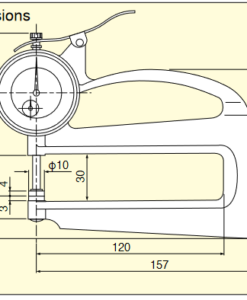
| Phạm vi đo: | 0- 10mm |
| Độ chia: | 0.01mm |
| Độ chính xác: | ±15µm |
| Trọng lượng: | 270g |
| Đo lực : | 2.5N |
| Tiếp xúc: | ǿ10 Flat |
Đồng hồ đo độ dày loại hiển thị cơ 0-10mm/0.01mm, 120 throat SM-114 Teclock
Ứng dụng:
Đo độ dày của nhiều vật liệu như giấy in, giấy carton, màng phim, màng nhựa, màng PE, bao bì…



















